Основное предназначение печного отопителя — поддержание заданного температурного режима в салоне машины, а также обеспечение бесперебойной подачи кислорода внутрь.
Тип вентиляции: приточно-вытяжной.
Схема отопления Лады Гранты: управление осуществляется механическими регуляторами, которые изменяют скорость воздушного потока, направление заслонки.
С целью недопущения проникновения в салон неприятных запахов, предустановлен тросиковый переключатель забора воздушного потока.
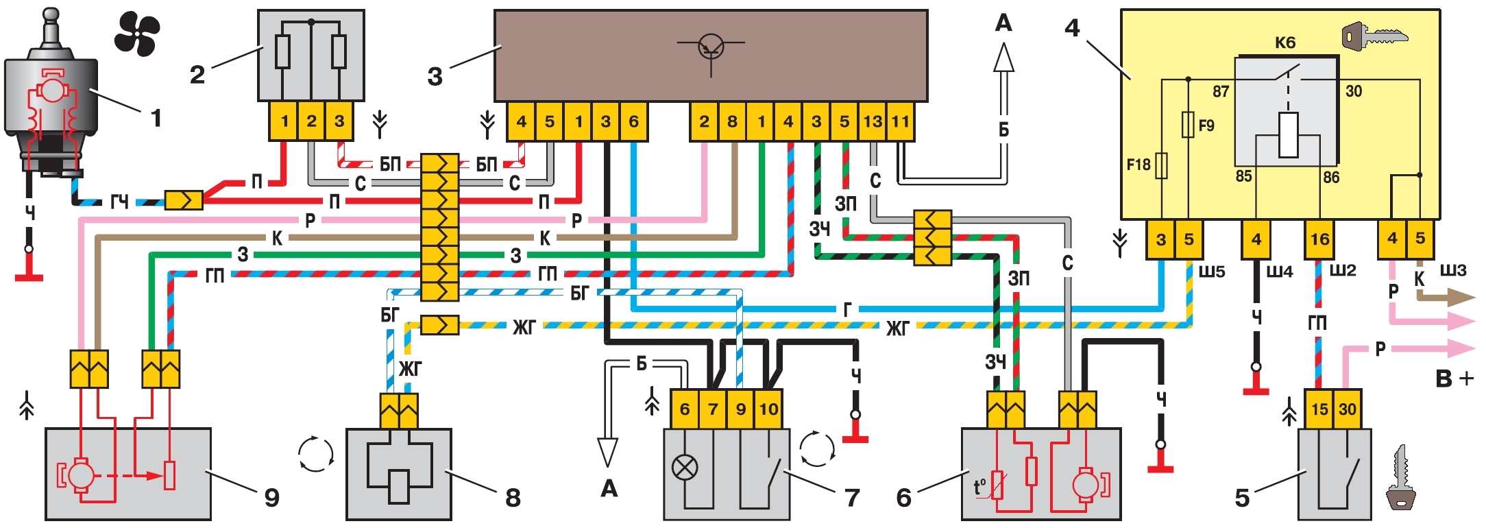
Элементы системы отопления Лада Гранта
Рассмотрим устройство печки Лада Гранта в комплектации «Норма»:
- радиатор;
- три воздушных патрубка, подающих поток к левому/правому / центральному дефлекторам;
- модуль управления;
- корпус радиатора;
- резиновые уплотнители;
- вентилятор;
- корпус вентилятора;
- тросы, механические тяги заслонок;
- резисторы регулятора.


В модификации с предустановленным кондиционером перечень дополняется отдельным воздуховодом, испарителем, корпусом блока отопителя.
Как устроен вентилятор печки
Главная задача вентилятора состоит в заборе воздушного потока извне и доставка его к дефлекторам.
Активируется вентилятор механической кнопкой, к которой подведено питание в 12 В. В версии Лада Гранта вентилятор работает на одной из трех скоростей. Водитель выбирает наиболее оптимальный режим в зависимости от температуры внутри салона.
Дополнительные резисторы Гранты
Без наличия резисторов вентилятор работает на одной скорости со стабильным показателем оборотов. Всего установлено на плате 3 резистора.
При переводе рычага в первое положение (на три резистора) вентилятор вращается на первой скорости, самой минимальной. Перевод на второе положение — вторая скорость (два резистора). Перевод на третье — третья скорость (один резистор). Детально схема печки указана на фото.


Заслонка распределителя воздуха
Установлена для регуляции воздушного потока, поступающего от вентилятора к стеклу для обдува посредством воздуховодов.
Нередко деформация, искривление корпуса пластика под воздействием температуры приводит к утечке потока, разгерметизации.
Заслонка регулятора температуры
Регулирует подачу теплого воздушного потока от печного отопителя в салон машины. Чем шире открыта заслонка, тем больше пропускная способность «канала», и наоборот, чем уже, тем меньше.
Теплообменник Гранты
Основное его предназначение в нагреве воздушного потока, поступающего в салон. Теплообменник с силовым агрегатом связан посредством двух резиновых патрубков: подача и обратка для циркуляции жидкости.
Штатное месторасположение — центральная часть торпедо салона автомобиля.
Датчик температуры воздуха внутри авто
Конструкционно установлен внутри пластикового плафона освещения салона. Во избежание перегрева, датчик оборудован системой принудительного обдува.
Установка спроектирована так, чтобы не искажать фактические температурные показания.
Патрубки


Резиновые патрубки буквально пронизали всю систему охлаждения, печного отопления, кондиционирования. Без их помощи невозможно соединить между собой участки магистралей.
Способ фиксации: на хомуты, металлические стяжки.
Управление отопительной системой
Для корректировки скоростного режима вентилятора, на регуляторе нанесена шкала-градация. Владелец авто самостоятельно выбирает оптимальный режим вращения вентилятора.


Поломка регулятора блокирует работу всей системы отопления салона автомобиля.
Система вентиляции и отопления салона Лады Гранты: проверка, регулировка
Тип системы вентиляции и отопления салона приточно-вытяжной. Рабочая температура жидкости для отопления салона в диапазоне от 90 до 94°.
Теплый (горячий) воздух подается в салон электрическим вентилятором. Скорость подачи настраивается специальным регулятором, который ускоряет (снижает) частоту вращения крыльчатки.
Электромотор имеет четыре положения:
- первая;
- вторая;
- третья скорость;
- положение: выкл.


Забор воздуха следует извне посредством воздухозаборников под жабо в моторном отсеке. Для очистки потока предустановлен фильтр. Наполнитель: синтетический материал.
Вытяжка воздуха осуществляется посредством вентиляционного окна в задней части машины, за бампером.
Модуль отопителя установлен в центральной части торпеды, под панелью. В процессе работы двигателя жидкость нагревается, циркулирует по контуру (водяной рубашке).
Количество воздуха, который поступает извне, регулируется водителем. Распределение потока также регулируется заслонкой при помощи тросикового привода.
Диагностика системы печного отопления
- Машину помещаем в периметр ремонтной зоны, открываем капот.
- Запускаем мотор.
- Проворачиваем регулятор против часовой стрелки в синий сектор.
- Рычагом поочередно активируем первую, вторую, третью скорости вращения вентилятора.
Если вентилятор не изменяет обороты — то причина неисправности в резисторах.
Если вентилятор не активируется, то неисправность в цепи питания.


Проводим диагностику при помощи мультиметра.
- Активируем заслонку печного отопителя, если изменения не происходят, то неисправен привод заслонки.
- После того, как прогрет двигатель к температуре 60 – 70° проворачиваем рычаг регулятора в положение красного сектора.
- Проверяем температуру воздуха, он должен соответствовать градусу. В противном случае неисправен привод заслонки.
- При необходимости повторяем процедуру переводом регулятора в положение синего сектора.
Система отопления Лады Гранты с кондиционером и без – отличия
| Наличие кондиционера | Отсутствие |
| Отдельный воздуховод |
Конструкция не имеет указанного дополнительного оборудования |
| Испаритель | |
| Блок отопителя | |
| Корпус блока отопителя |
Характерные неисправности системы отопления Лады Гранты
| Неисправность | Диагностика | Способ устранения |
| Печка работает на одном скоростном режиме | Проверка платы с резисторами | Замена платы с резисторами |
| Заслонки неподвижны | Диагностика троса привода | Смазка тросика, дополнительное натяжение |
| Датчик на приборной панели показывает разную температуру | Проверка сопротивления датчика на контактах | Замена датчика |
| Печка не активируется при нажатии на рычаг | Проверка цепи электропитания | Замена электрической проводки, предохранителя |
| Работа вентилятора сопровождается скрипом, металлическим скрежетом | Диагностика блока печного отопителя | Смазка подшипника, замена |
| Из дефлекторов вылетает холодный воздух | Проверка целостности воздушных патрубков | Уплотнение соединения герметиком |
| Не происходит подача охлаждающей жидкости на печку | Проверьте схему подвода патрубков печки | Замена патрубков |
Отзывы
| № | Положительные |
| 1. | Владимир: после покупки машины прошло полгода, за столь короткое время поломок не было. Несколько раз отказывался запускаться вентилятор, причина оказалась в плохом контакте предохранителя. |
| 2. | Василий: два года активно использую машину, особых нареканий нет, все агрегаты работают в штатном режиме. Поломки случаются, как и всех, но они малозначащие, легко устранимы своими силами. |
| 3. | Геннадий: после двух месяцев простоя машины печной отопитель начал слабо подавать воздух. Разобрал самостоятельно, прочистил, работает исправно. Мои рекомендации автолюбителям, не бойтесь ремонтировать своими силами. |
| 4. | Кирилл: считаю, что Гранта собрана качественно, цена доступная для семьи со средним заработком. При условии своевременного обслуживания никаких проблем не возникает. |
| 5. | Иван: после покупки машины сразу слил заводской тосол, купил хороший импортный антифриз. Теперь горя не знаю, печка работает «на ура». |
| 6. | Дмитрий: мелкие дефекты были, устранил самостоятельно, но они малозначащие и на работоспособность машины не оказывали влияния. |
| 7. | Игорь: машиной доволен, замечаний глобальных нет, как для отечественного транспорта это очень хорошо. |
| Отрицательные | |
| 1. | Виктор: за два года активного использования машины несколько раз обращался в СТО по гарантии. Барахлил вентилятор, потом печной отопитель. Принял решение отремонтировать и продавать. Рено Логан в несколько раз лучше отечественного аналога. |
| 2. | Владлен: покупкой Гранты недоволен, уже несколько раз пожалел выкинутых денег. Машина не оправдывает вложенных средств. |
| 3. | Геннадий: полтора года с момента покупки машины, постоянные вложения, приобретение расходников, ремонты в СТО. |
Вывод
Система печного отопления у Лады Гранты полностью скопирована у Лады Калины. К оборудованию претензий нет, все работает исправно. Чтобы механизм длительно служил, необходимо систематически проводить осмотр, профилактики.
Многие автомобилисты экономят на обслуживании, вследствие чего сокращается ресурс эксплуатации. Немаловажный фактор — помутнение тосола. Изготовитель рекомендует проводить его замену через каждые 75000 км. Из-за превышения интервала образовываются отложения на дне радиатора, начинается коррозия.
| Видео — Почему плохо греет печка зимой в Лада Гранта, практические советы |
| Видео — Лада гранта плохо греет печка ответ автоваза |